Спорт
Змагаються юні радіо-конструктори Львівщини
Георгій Чліянц (UY5XE) – гол. судья змагань, СНК
2 листопада ц.р., в третий раз були проведені «Обласні змагання учнівської молоді зі швидкісного збирання радіоапаратури», організатором яких був «Львівський клуб короткохвільовіків» (ЛКК), при технічній підтрімці ЦНТТУМ ЛМР та сприяння в проведенні ЛОЦНТТУМ.
	
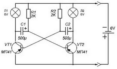
Вперше у змаганнях прийняли участь 5 закладів учнівської молоді. З них - 4 зі Львова (ЦНТТУМ ЛМР, ЛОЦНТТУМ, ЦТДЮГ і ЛУГГ ім. Олени Степанів) і СЮТ м Червонограда. У їх складі 12 представників, які змагались в 3-х вікових категоріях: «А» (до 11 років - 4), «B» (12-15 років - 3) та «С» (16-18 років - 5) по збиранню діючого мультівібратора
	
Учасники прибули з власним комплектом радіодеталей, монтажною платою, інструментом та блоком живлення. Контрольний час збирання був встановлений: кат. «А» – 5 хв., кат. «B» – 3 хв., та кат. «С» – 2 хв.
Переможці та призери в кожній категорії були нагороджені «Дипломами» та призами спонсорів (UR4WN і UY5XE).
Переможцями стали:
кат. «А» – Юрій Иванович (ЦНТТУМ ЛМР) - 69 сек.
кат. «B» – Тимур Зуйков (ЛОЦНТТУМ) - 123 сек.
кат. «С» – Дмитро Петров (ЦНТТУМ ЛМР) - 43 сек.
	
Юрій Иванович
	
Анастасія Олещук та Дмитро Петров
Грамотами «За активну участь» і заохочувальними призами були нагороджені: наймолодший учасник - дев'ятирічний Юрій Тимків (ЛОЦНТТУМ, Кат. «А» - 278 сек.) і єдина дівчинка - Анастасія Олещук (ЦТДЮГ, Кат. «С» - 138 сек.).
	
Суддівський контроль
За пропозицією присутніх був проведений т.зв. «Майстер-клас» - відповідні змагання керівників команд, троє з яких сіли за робочі місця: Юрій Михайлов (UR4WN - ЦНТТУМ ЛМР), Ігор Адамовський (UR4WG - ЛОЦНТТУМ) і Олександр Черняк (ЦТДЮГ). Переміг Юрій Михайлов (72 сек.), який поступився своєму вихованцю - Дмитру Петрову 29 сек. Другим був Ігор Адамовський (145 сек.), А третім - Олександр Черняк (155 сек.).
	
	Юрій Михайлов (UR4WN)
	 
	
Учасники змагань, курівники команд і судді
	ЛКК готовий провести на наступний рік такі змагання, в яких візьмуть участь команди ін. Областей України. Можливо і проведення матчевої зустрічі між збірними командами Львівщини та збірної команди ін. Області.
	
	Чекаємо Ваших пропозицій!

